【2026年最新版】放射温度計の精度維持に必要な外乱対策と保護アクセサリー活用法!
放射温度計とは物体に触れずに温度を測定できる「非接触式」温度計です。
非接触で温度を測定できる夢のような計測器ですが、一方で接触しないことで発生する問題も多々あり、何も知らずにそのまま測定方法をしていると精度よく温度測定ができなくなります。
そこで今回は放射温度計を使う上で問題となる点を挙げていき、どのように回避するのか、どうすれば精度よく安定して測定できるのか、対策用アクセサリーを含めて対策と解決法を公開します!
目次
放射温度計とは
放射温度計とは物体に触れずに温度が測定できる「非接触式」の温度計です。
全ての物体からはその温度に見合った赤外線エネルギーが放射されていますが、その放射される赤外線のエネルギー量は温度が高くなるにつれて増加するため、放射エネルギー量を検知することで温度を知ることができます。つまり放射温度計とは検出した赤外線エネルギー量を温度に換算する計測器です。このような原理から「放射温度計」または「赤外線温度計」と呼ばれています。
(赤外線は物体から放射されますが、いわゆる放射線(放射能)とは異なりますので安全です)
接触式温度計と異なり、物体の温度と感温部が同一の温度になる必要がないため耐久性に優れ、高温などの厳しい環境でも使用できます。さらに、測定対象物を傷つけたり、温度を乱したりすることがなく、応答速度も速いため移動体の温度も測定できます。
このような特長から、生産ラインなどでの制御やトレーサビリティに利用されます。
放射温度計の大きな分類(ハンディタイプと設置型)
放射温度計は、前述したとおり測定対象物に直接触れずに温度を測定できる便利な計測器です。
大きく分けてハンディタイプと設置型の2種類があり、それぞれ異なる特長を持っています。
ハンディタイプの特長
- 持ち運びが容易で、場所を選ばずに測定できる
- 軽量コンパクトでシンプルなインターフェースが多く、片手で簡単に操作できる
- 瞬時に温度測定ができるため、素早く状況を把握できる
- 比較的安価なモデルが多い

設置型 放射温度計の特長
- 連続的な温度測定ができるため長期的な温度変動の監視や分析に最適
- アナログ信号やデジタル信号が出力されるためPLC、データロガーなどと接続して温度データを記録・管理できる
- アラーム機能もあるため、生産設備の制御に使える
- 人が立ち入れない高温雰囲気や危険な場所でも使用可能

ハンディタイプの放射温度計は、持ち運びが容易でさまざまな場所での測定に適しています。一方の設置型 放射温度計は連続的な温度測定に適しています。そのため管理・制御・トレーサビリティなどに活用されます。
用途や目的に合わせて、適切なタイプの放射温度計を選択することが重要です。
放射温度計で温度測定するうえでの問題点と対策方法
■高温雰囲気や明るい場所での温度バラつきを防ぐ外乱対策
放射温度計は赤外線を検出して温度に換算する計測器ですが、放射温度計設置場所の周囲に高温になっている物体や光(白熱電球や太陽光)が差し込んでいる場合、それらの赤外線が測定視野の表面で反射して正規の視野からの赤外線に加算された状態で検出してしまうため温度指示値が高めになることがあります。このように本来の測定に関係のない赤外線を外乱光と呼びます。
また、放射温度計に採用している検出素子(センサー)は光学レンズによって測定視野からの赤外線を検出して温度に換算していますが、測定視野に対して測定対象物がかなり大きいものであったり、周囲に熱源や光源がある場合、正規の測定視野の外からレンズ鏡筒内に入り込み温度指示値が高めに表示されることがあります。これを迷光と呼びます。
いずれにしても本来の測定に関係のない赤外線が計測されてしまうということにおいては同じことですから外乱光や迷光などと名称はあまり気にする必要はありません。それぞれ同じような対策をすることで精度良く測定できる可能性が高まります。
・外乱光対策
ワークの温度が室温にもかかわらず、温度指示値が高い温度を示す場合、センサヘッドのレンズ部を手や紙などで塞いでみてください。塞ぐことによって温度指示値が低下すれば外乱光の影響があることになります。
外乱光の影響を低減するには次の方法を試してください
- 1. 照明をLED照明など温度の低い照明に変更する。
- 2. 太陽光が差し込んでいる場合は暗幕などで太陽光を遮断する。
- 3. 外乱の影響になっている高温物体とワークの間に熱遮蔽版を設置する。
- 4. ワークの放射率が著しく低い場合は黒体塗料を塗布するなどして反射率を低くする。


・迷光対策
測定距離が一定の場合、測定視野外のワークが大きいほど迷光の影響は大きくなります。またワークサイズが一定の場合、ワークと放射温度計の距離が近いほど影響が大きくなります。(測定距離が短くなるほど指示値が高めに表示されてしまう)
迷光の影響を低減するには次の方法を試してください
- 1. ワークの周囲にある熱源、光源の間を遮断する。
- 2. レンズ前面にフードを付ける。
- 3. レンズと検出素子の間に絞りを設ける。
- 4. ワークの放射率が著しく低い場合は黒体塗料を塗布するなどして反射率を低くする。


■油煙雰囲気や粉じん雰囲気でのレンズ保護対策
油煙雰囲気、粉じんなどのある環境下で温度測定をすると、レンズ表面が汚れて赤外線エネルギーが入ってこなくなり温度指示値が低下してしまいます。このような環境で安定した温度測定をするにはレンズを汚れないような対策をすることが重要です。
対策方法としては複数ありますので、測定する現場や状況によってレンズ汚れ防止対策をしていきます。
・計装エア
計装エアをレンズ前面から噴き出すことによってレンズ周辺の油煙、粉じんなどを飛ばします。エア流量が多すぎると逆に周囲から油煙、粉じんを巻き込む恐れがあるため、微量で十分です。(環境にもよりますがエア流量は1リットル/分程度で十分)
この場合、センサヘッド先端にエアパージフードを付けることでさらに効果が増します。
また工場エアはエアの中に水、油などが含まれているため、かえってレンズを汚してしまいますので必ず計装エアを流してください。


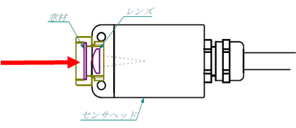
・窓材
溶接のスパッタなどの場合はエアだけでは防ぐことができず、ひどい場合はレンズ自体がスパッタの熱で溶けて傷ついてしまうこともあります。このような場合では窓材を使用して物理的にレンズを保護するほうが効果的です。
窓材は取り外し可能なため、汚れた場合は温度計本体から取り外して清掃したり、大きな傷がついた場合には窓材を交換することで安定した温度測定を続けることができます。


・エアレスフード
エアを使用した場合、エアによってワークを冷やしてしまうデメリットがあります。また現場環境からエアを使用できない場合にエアレスフードを使います。
エアレスフードは絞りを数段に設置することで構造的に粉じんなどがレンズに到達しにくくしています。ただし空中に浮遊している油煙などや直線的に飛んでくるスパッタなどには効果はあまり見込めず、鉄粉のような質量のある粉じんに対して効果があります。


『放射温度計の精度維持に必要な外乱対策と保護アクセサリー活用法!』のまとめ
- 外乱・迷光対策:周囲の熱源や光源には遮蔽板や遮光フードを設置し、測定への影響を最小限に抑える。
- レンズ保護対策:油煙・粉じん・スパッタなどの悪環境では、エアパージフード・窓材・エアレスフードなど適切なアクセサリーを活用する。
- 悪条件下でも適切な対策を講じることで、精度の高い安定した温度測定が可能になる。
この記事の執筆者
計測器業界において20年以上の経験を有し、特に放射温度計の販売において自動車関連企業を中心に実績を積んできました。現在は、営業プロセスの改善と標準化を推進するとともに、販売促進活動やコンテンツ作成など、多岐にわたる業務を担当しています。
デモ依頼・見積依頼・お問い合わせ


「見積について相談したい」「機種選定についてアドバイスがほしい」「他社の事例を教えてほしい」など、お気軽にご相談ください。
