FTK9-R220R-5R11

このボタンで印刷されるのは仕様のみです。
図面はPDFファイルから各印刷してください。
| 種類 | |
|---|---|
| 型式 | FTK9-R220R-5R11 |
| 定価 | ※お問い合わせください |
| 温度範囲 | 220-2000℃(R220) |
| 実効波長 | 1.95-2.5μm |
| 測定距離 | 50mm |
| 標的サイズ | φ0.6 mm |
| ファイバ径、長さ、保護管 | φ0.1mm、1m、SUS蛇管 |
| ケーブル長 | 2m(脱着式) |
| ヘッド形状、レンズ径 | 丸型、φ6mm |
| 照準 | 同光軸LED照準 |
| 精度定格 | 800℃未満;±4℃、800~1200℃;測定値の±0.5%、1200~2000℃;測定値の±1.0% |
| 精度保証 | 周囲温度23±5℃、放射率1.0、スムージング時間0.05秒にて |
| 応答時間 | 0.003-600秒(レンジ切換時+0.002S加算) |
| 放射率 | 保証範囲:0.3-1.0、設定範囲:0.050-1.000 |
| アナログ出力 | なし |
| RS232C出力 | RS232C(表示設定器と接続可) |
| アラーム出力 | なし |
| ウォームアップ時間 | 10分 |
| 温度表示 | なし(表示設定オプションは別売) |
| 電源 | DC10-27V |
| 使用周囲温度 | 0-50℃ |
| ファイバヘッド耐熱温度 | 150℃max |
| RoHS指令 | 対応 |
| 保護構造 | なし |
| CEマーキング | 非適合 |
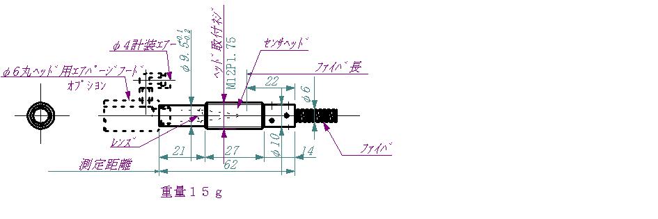
| ヘッド外形図 | |
| 温度変換器外形図 | PDFファイル |
| 光路図 | |
| 接続図 |




